Адаптер-удлинитель BSP 1/4"x1/4" L21 арт. 300804 от Cast
Адаптер-удлинитель BSP 1/4"x1/4" L21. Соединения с уплотнением по конусу 60° (BSP). Прямой адаптер BSP
Адаптер-удлинитель CAST артикул 300804 предназначен для создания герметичных гидравлических соединений и удлинения существующих линий. Является частью универсальной серии фитингов, широко применяемой в системах смазки, топливоподачи и гидравлических контурах мобильной и стационарной техники, работающих под стандартным давлением. Этот фитинг CAST обеспечивает надежное и компактное подключение.
Конструкция адаптера представляет собой полый болт с наружной резьбой BSP 1/4" и внутренней резьбой BSP 1/4", соответствующей стандарту BS-5200 для уплотнений под 60° конус. Обеспечивает простоту монтажа и демонтажа, сохраняя герметичность соединения благодаря использованию уплотнительных шайб (не входят в комплект поставки, заказываются отдельно).
- Тип соединения: BSP 1/4" x BSP 1/4"
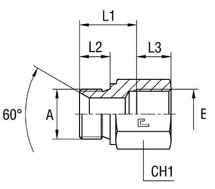
- Артикул (стандарт): 300804
- Рабочее давление (WP): 350 бар
- Размер под ключ (CH1): 19 мм
- Общая длина (L1): 21 мм
- Длина резьбы (L2): 11 мм
- Стандарт трубного соединения: 60° BS-5200
- Длина выступающей резьбы (L3): 14 мм
- Наружный размер резьбы A (USIT): 1/4"
- Наружный размер резьбы B: 1/4"
Для заказа изделия из коррозионностойкой нержавеющей стали AISI 316, необходимо изменить префикс артикула с 30 на 31 (например, 310804). При необходимости обеспечения высокой герметичности в системах с омедненными уплотнительными шайбами, следует ориентироваться на нормы давления, указанные для позиций артикулов 3001.... Данный адаптер идеально подходит для создания надежного трубного соединения в условиях повышенных требований к прочности и долговечности.