Адаптер-удлинитель BSP 1/2"x1/2" L46 арт. 300815 от Cast
Адаптер-удлинитель BSP 1/2"x1/2" L46. Соединения с уплотнением по конусу 60° (BSP). Прямой адаптер BSP
Адаптер-удлинитель CAST артикул 300815 предназначен для удлинения существующих резьбовых соединений в гидравлических системах. Обеспечивает надежное соединение типа BSP 1/2" с шестидесятиградусным конусом. Универсальная серия фитингов CAST находит применение в широком спектре оборудования, включая станки, сельскохозяйственную и строительную технику, а также системы смазки и низкого давления.
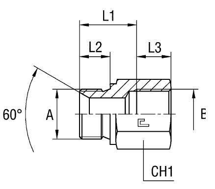
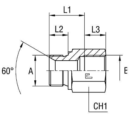
Данный фитинг CAST представляет собой полый адаптер, изготовленный в соответствии со стандартом BS-5200 для трубных соединений. Конструкция обеспечивает герметичное подключение к компонентам гидравлических линий, предотвращая утечки рабочей жидкости. Шестидесятиградусный уплотнительный конус гарантирует надежное взаимодействие с ответными частями.
- Артикул: 300815
- Бренд: Cast
- Тип соединения: BSP 1/2" (60° BS-5200)
- Максимальное рабочее давление (WP): 350 бар
- Размер под ключ (CH1): 27 мм
- Общая длина (L1): 46 мм
- Длина удлинения (L2): 14 мм
- Длина резьбы (L3): 17 мм
Для заказа изделий из коррозионностойкой нержавеющей стали AISI 316, необходимо изменить префикс артикула с "30" на "31". Уплотнительные системы с омедненной прокладкой для низкого давления соответствуют нормам, указанным в позициях артикулов 3001.... Данный адаптер является превосходным решением для удлинения гидравлических линий и создания компактных монтажных решений.