Адаптер прямой FB DS08 M14x1.5 (корпус) арт. 100415.1 от Cast
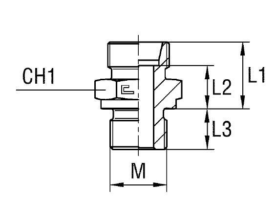
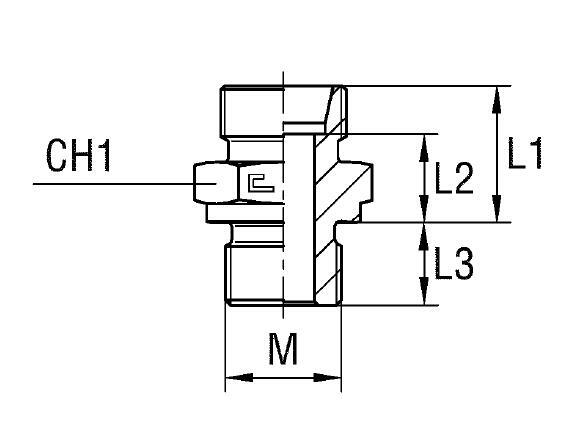
Адаптер прямой FB DS08 M14x1.5 (корпус). Соединения с врезным кольцом (DIN 2353). Прямой ввертной адаптер Metric с формованным уплотнением
Прямой адаптер, артикул 100415.1, предназначен для соединения компонентов гидравлических систем. Обеспечивает надежное трубное соединение в системах со стандартным и высоким давлением. Производитель – CAST, серия S. Применяется в стационарном оборудовании, станках и мобильной технике для транспортировки гидравлических жидкостей и смазочных материалов.
Конструкция адаптера обеспечивает герметичное соединение благодаря соответствию стандарту DIN 2353 для соединений с углом 24°. Совместим с трубными соединениями соответствующего диаметра и резьбы. Адаптер обеспечивает надежную фиксацию и устойчивость к вибрациям.
- Рабочее давление (WP): 630 бар
- Диаметр трубы M1/D1: 8 мм
- Резьба 12: M14x1.5
- Размер под ключ (CH1/CH2): 19 мм
- Стандарт трубного соединения: DIN 2353 (24°)
Адаптер поставляется как отдельный компонент. Доступны исполнения из нержавеющей стали AISI 316 (префикс артикула 11...) для использования в агрессивных средах и для обеспечения высокой коррозионной стойкости. Также доступна версия из AISI 316 с гайкой из AISI 304 (префикс артикула 14...). При заказе следует учитывать требуемый материал для обеспечения оптимальной работы фитинга CAST в конкретных условиях эксплуатации.