Адаптер прямой FB DL08 BSP 1/4" в сборе арт. 100305 от Cast
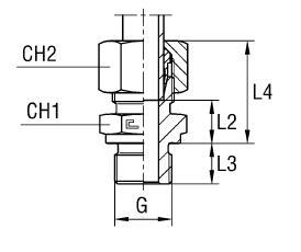
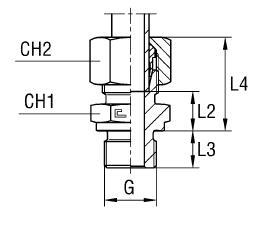
Адаптер прямой FB DL08 BSP 1/4" в сборе. Соединения с врезным кольцом (DIN 2353). Прямой ввертной адаптер BSP с формованным уплотнением
Прямой адаптер, артикул 100305 от CAST, предназначен для организации надежного и герметичного соединения в гидравлических системах. Используется для подключения трубных соединений по стандарту DIN 2353 в станках, мобильной технике и других областях, где требуется работа со стандартным давлением.
Данный прямой адаптер обеспечивает переход с трубного соединения 24° DIN 2353 на ввертное соединение с резьбой BSP 1/4". Конструкция фитинга гарантирует надежную фиксацию и герметичность соединения. Совместим с широким спектром гидравлических жидкостей.
- Рабочее давление (WP): 315 бар
- Диаметр трубы M1/D1: 8 мм
- Размер под ключ 2 (CH2): 17 мм
- Размер под ключ 1 (CH1): 19 мм
- Серия: L
- Резьба 5: 1/4" BSP
- Стандарт трубного соединения: DIN 2353 (24°)
Адаптер поставляется в сборе. Доступен в исполнении из стали. Для заказа адаптера из нержавеющей стали AISI 316 необходимо заменить префикс артикула "10" на "11". Для версии с гайкой из нержавеющей стали AISI 304, префикс меняется на "14". Использование нержавеющей стали обеспечивает повышенную коррозионную стойкость, что актуально для применения в агрессивных средах. Применяется для трубных соединений и фитингов CAST.