Адаптер прямой FA DS25 UNF 1-5/16" (корпус) арт. 100921.1 от Cast
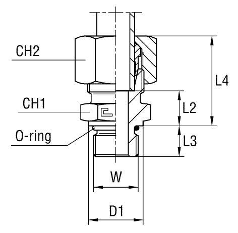
Адаптер прямой FA DS25 UNF 1-5/16" (корпус). Соединения с врезным кольцом (DIN 2353). Прямой ввертной адаптер UNF (ORB)
Прямой адаптер, артикул 100921.1, предназначен для надежного соединения гидравлических компонентов. Производство CAST, серия S. Используется в системах с рабочим давлением до 400 бар, подходит для стационарных и мобильных гидравлических установок, в том числе для смазочных и топливных систем.
Конструкция адаптера обеспечивает герметичное и прочное трубное соединение. Соответствует стандарту DIN 2353 (соединения 24°). Конструкция обеспечивает надежность соединения в гидравлических системах высокого давления. Совместим со стандартными трубными соединениями с конусностью 24°.
- Рабочее давление (WP): 400 бар
- Диаметр трубы M1/D1: 25 мм
- Размер под ключ 2 (CH2): 46 мм
- Размер под ключ 1 (CH1): 41 мм
- Длина L1: 34,9 мм
- Длина L2: 22,9 мм
- Длина L3: 15,1 мм
- Диаметр D1: 40,8 мм
- Длина L4: 47 мм
- Тип резьбы: UNF 1-5/16"
Поставляется как корпус фитинга. Материал – сталь. Для заказа фитинга CAST из нержавеющей стали AISI 316 необходимо заменить префикс артикула с 10 на 11. Для исполнения из нержавеющей стали AISI 316 с гайкой из нержавеющей стали AISI 304 замените префикс на 14. Нержавеющая сталь обеспечивает высокую коррозионную стойкость и пригодность для использования в агрессивных средах.