Адаптер прямой FA DS20 UNF 1-1/16" (корпус) арт. 100920.1 от Cast
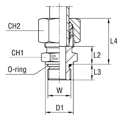
Адаптер прямой FA DS20 UNF 1-1/16" (корпус). Соединения с врезным кольцом (DIN 2353). Прямой ввертной адаптер UNF (ORB)
Прямой адаптер FA DS20 UNF 1-1/16" (корпус) артикул 100920.1 от CAST предназначен для создания надежного и герметичного трубного соединения. Используется в гидравлических системах стандартного давления, в частности, в оборудовании для смазки и топливных системах, а также в станочном оборудовании.
Конструкция адаптера обеспечивает надежное соединение благодаря соответствию стандарту DIN 2353 для соединений с углом 24°. Совместим с широким спектром трубных соединений соответствующего стандарта. **Фитинг CAST** обеспечивает стабильность работы системы.
- Рабочее давление (WP): 400 бар
- Диаметр трубы M1/D1: 20 мм
- Размер под ключ 2 (CH2): 36 мм
- Размер под ключ 1 (CH1): 32 мм
- Серия: S
- Длина L1: 30,9 мм
- Длина L2: 20,4 мм
- Стандарт трубного соединения: Соединения 24° DIN 2353
- Длина L3: 15,1 мм
- Диаметр D1: 31,8 мм
- Длина L4: 42 мм
По умолчанию адаптер поставляется как корпус. Для заказа адаптера из нержавеющей стали AISI 316 необходимо заменить префикс артикула с 10 на 11. Если требуется исполнение с гайкой из нержавеющей стали AISI 304, префикс артикула меняется на 14. Нержавеющая сталь обеспечивает повышенную коррозионную стойкость, что делает **трубное соединение** подходящим для использования в агрессивных средах.