Адаптер прямой FA DL22 UNF 1-1/16" в сборе арт. 100910 от Cast
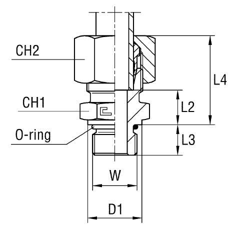
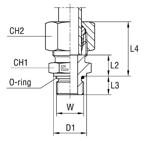
Адаптер прямой FA DL22 UNF 1-1/16" в сборе. Соединения с врезным кольцом (DIN 2353). Прямой ввертной адаптер UNF (ORB)
Прямой адаптер FA DL22 UNF 1-1/16" (артикул 100910) от CAST предназначен для надежного и герметичного соединения гидравлических компонентов. Этот прямой фитинг CAST используется в системах с рабочим давлением до 160 бар, подходит для применения в гидравлических станциях, мобильной технике и других промышленных областях.
Конструкция адаптера обеспечивает простоту монтажа и надежность соединения. Соответствует стандарту DIN 2353, что гарантирует совместимость с трубными соединениями 24°. Позволяет осуществлять переход между различными типами соединений в гидравлической системе.
- Рабочее давление (WP): 160 бар
- Диаметр трубы M1/D1: 22 мм
- Размер под ключ 2 (CH2): 36 мм
- Размер под ключ 1 (CH1): 32 мм
- Серия: L
- Длина L1: 23.9 мм
- Длина L2: 16.4 мм
- Стандарт трубного соединения: Соединения 24° DIN 2353
- Длина L3: 15.1 мм
- Диаметр D1: 31.8 мм
- Длина L4: 33 мм
Адаптер поставляется в сборе, готов к установке. Стандартное исполнение – сталь. Для использования в агрессивных средах или условиях повышенной коррозионной опасности доступен вариант из нержавеющей стали AISI 316. Для заказа фитинга CAST из нержавеющей стали AISI 316 необходимо заменить префикс артикула с 10 на 11. Для версии с гайкой из нержавеющей стали AISI 304 замените префикс артикула с 10 на 14.