Адаптер прямой FA DL22 UNF 1-1/16" (корпус) арт. 100910.1 от Cast
Адаптер прямой FA DL22 UNF 1-1/16" (корпус). Соединения с врезным кольцом (DIN 2353). Прямой ввертной адаптер UNF (ORB)
Прямой адаптер FA DL22 UNF 1-1/16" (корпус) артикул 100910.1 от CAST предназначен для создания надежных и герметичных соединений в гидравлических системах. Применяется в системах с низким и средним давлением, подходит для использования с маслами, топливом и другими гидравлическими жидкостями. Серия L.
Данный адаптер представляет собой прямой фитинг CAST для соединения труб и компонентов гидравлической системы. Конструкция соответствует стандарту DIN 2353, обеспечивая совместимость с трубными соединениями с углом конуса 24°. Обеспечивает надежное и герметичное трубное соединение.
- Рабочее давление (WP): 160 бар
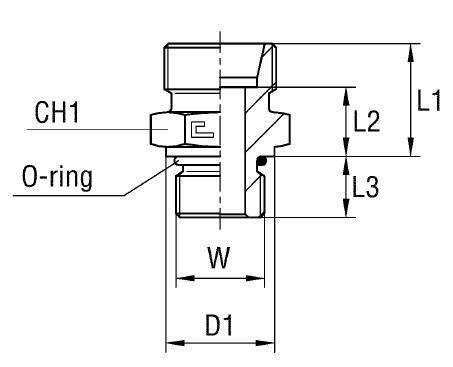
- Диаметр трубы M1/D1: 22 мм
- Размер под ключ 2 (CH2): 36 мм
- Размер под ключ 1 (CH1): 32 мм
- Длина L1: 23,9 мм
- Длина L2: 16,4 мм
- Длина L3: 15,1 мм
- Диаметр D1: 31,8 мм
- Длина L4: 33 мм
Адаптер поставляется в комплектации только корпусом. Материал изготовления - сталь. Для заказа адаптера из нержавеющей стали AISI 316 необходимо изменить префикс артикула с 10 на 11. Для заказа из нержавеющей стали AISI 316 с гайкой из нержавеющей стали AISI 304, префикс необходимо изменить на 14. Использование нержавеющей стали обеспечивает высокую коррозионную стойкость и возможность эксплуатации в агрессивных средах.