Адаптер прямой FA DL15 UNF 3/4" в сборе арт. 100908 от Cast
Адаптер прямой FA DL15 UNF 3/4" в сборе. Соединения с врезным кольцом (DIN 2353). Прямой ввертной адаптер UNF (ORB)
Прямой адаптер CAST, артикул 100908, предназначен для надежного соединения труб и компонентов гидравлических систем. Обеспечивает герметичное и долговечное соединение в системах со стандартным давлением. Широко применяется в промышленном оборудовании, станках и мобильной технике, где требуется надежное трубное соединение.
Данный прямой адаптер FA DL15 UNF 3/4" обеспечивает надежное соединение за счет своей конструкции, соответствующей стандарту DIN 2353 для соединений с углом 24°. Конструкция обеспечивает совместимость с различными типами трубных соединений, гарантируя герметичность и устойчивость к вибрациям.
- Рабочее давление (WP): 315 бар
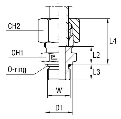
- Диаметр трубы M1/D1: 15 мм
- Размер под ключ 2 (CH2): 27 мм
- Размер под ключ 1 (CH1): 24 мм
- Серия: L
- Длина L1: 20,9 мм
- Длина L2: 13,9 мм
- Стандарт трубного соединения: Соединения 24° DIN 2353
- Длина L3: 11,1 мм
- Диаметр D1: 21,8 мм
- Длина L4: 29 мм
В стандартной комплектации адаптер поставляется в сборе. Для применения в условиях повышенной коррозионной активности доступно исполнение из нержавеющей стали AISI 316. Чтобы заказать фитинг CAST из нержавеющей стали AISI 316, замените первые две цифры артикула с 10 на 11. Для заказа исполнения с гайкой из нержавеющей стали AISI 304, замените первые две цифры артикула с 10 на 14.