Адаптер прямой FA DL15 UNF 3/4" (корпус) арт. 100908.1 от Cast
Адаптер прямой FA DL15 UNF 3/4" (корпус). Соединения с врезным кольцом (DIN 2353). Прямой ввертной адаптер UNF (ORB)
Прямой адаптер FA DL15 UNF 3/4" с артикулом 100908.1 от CAST предназначен для создания надежного и герметичного соединения в гидравлических системах. Используется для подключения компонентов с различными типами резьбы. Применяется в станочном оборудовании, мобильной технике, а также в системах смазки и подачи топлива, где требуется работа при стандартном давлении.
Конструкция адаптера обеспечивает надежное трубное соединение благодаря соответствию стандарту DIN 2353 (соединение 24°). Адаптер предназначен для соединения труб с конусностью 24°. Этот фитинг CAST обеспечивает простоту монтажа и демонтажа, а также устойчивость к вибрациям и гидроударам.
- Рабочее давление (WP): 315 бар
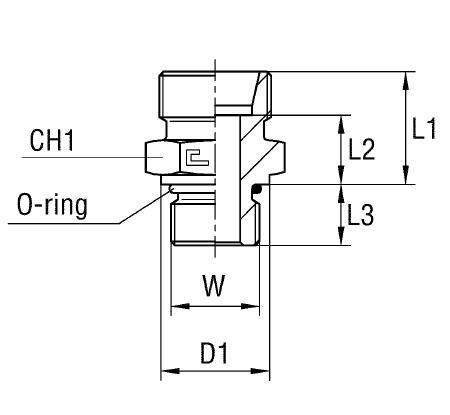
- Диаметр трубы M1/D1: 15 мм
- Размер под ключ 2 (CH2): 27 мм
- Размер под ключ 1 (CH1): 24 мм
- Серия: L
- Длина L1: 20,9 мм
- Длина L2: 13,9 мм
- Длина L3: 11,1 мм
- Диаметр D1: 21,8 мм
- Длина L4: 29 мм
Адаптер поставляется без дополнительных уплотнительных элементов. Корпус изготовлен из стали. Для применения в агрессивных средах и обеспечения коррозионной стойкости, возможен заказ адаптера из нержавеющей стали AISI 316, для этого необходимо заменить префикс артикула с 10... на 11.... Для заказа фитинга из нержавеющей стали AISI 316 с гайкой из нержавеющей стали AISI 304, замените первые две цифры артикула с 10.... на 14....