Адаптер прямой FA DL12 UNF 9/16" (корпус) арт. 100907.1 от Cast
Адаптер прямой FA DL12 UNF 9/16" (корпус). Соединения с врезным кольцом (DIN 2353). Прямой ввертной адаптер UNF (ORB)
Прямой адаптер FA DL12 UNF 9/16" (корпус), артикул 100907.1, от CAST предназначен для создания надежного трубного соединения в гидравлических системах. Используется для подключения компонентов в системах со стандартным давлением, подходит для масла, топлива и других гидравлических жидкостей в станках и мобильной технике. Является частью серии L.
Этот прямой адаптер обеспечивает надежное соединение благодаря своей конструкции и соответствию стандарту DIN 2353. Он предназначен для работы с трубными соединениями, имеющими конусность 24°. Обеспечивает прочное и герметичное соединение.
- Рабочее давление (WP): 315 бар
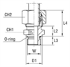
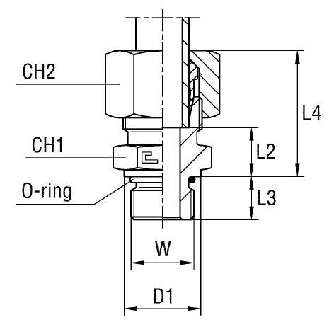
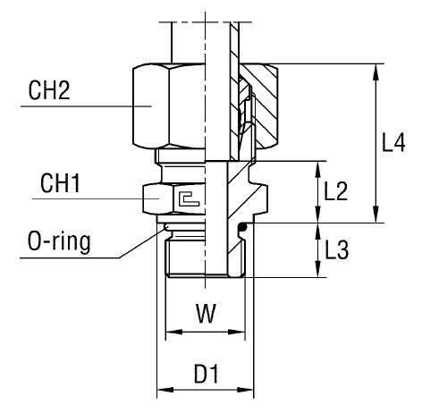
- Диаметр трубы M1/D1: 12 мм
- Размер под ключ 2 (CH2): 22 мм
- Размер под ключ 1 (CH1): 19 мм
- Длина L1: 18 мм
- Длина L2: 11 мм
- Длина L3: 10 мм
- Длина L4: 25,5 мм
- Диаметр D1: 18,8 мм
- Стандарт трубного соединения: Соединения 24° DIN 2353
Адаптер поставляется как корпус. Материал - сталь. Для заказа фитинга CAST из нержавеющей стали AISI 316 необходимо изменить префикс артикула с 10 на 11. Если требуется версия с гайкой из нержавеющей стали AISI 304, префикс меняется на 14. Нержавеющая сталь обеспечивает коррозионную стойкость и позволяет использовать трубное соединение в агрессивных средах.