Адаптер прямой FA DL12 UNF 3/4" (корпус) арт. 100926.1 от Cast
Адаптер прямой FA DL12 UNF 3/4" (корпус). Соединения с врезным кольцом (DIN 2353). Прямой ввертной адаптер UNF (ORB)
Прямой адаптер FA DL12 UNF 3/4" (корпус), артикул 100926.1, производства CAST, предназначен для создания надежного и герметичного трубного соединения в гидравлических системах. Используется для соединения элементов с различными типами резьбы и диаметрами в станках, мобильной технике и других гидравлических установках, работающих в условиях стандартного давления.
Конструкция адаптера обеспечивает надежное соединение благодаря соответствию стандарту DIN 2353, что гарантирует совместимость с другими компонентами, выполненными по данному стандарту. Данный фитинг CAST предназначен для трубных соединений с конусностью 24°.
- Рабочее давление (WP): 315 бар
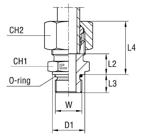
- Диаметр трубы M1/D1: 12 мм
- Размер под ключ (CH1/CH2): 22 мм
- Серия: L
- Длина (L1/L2/L3/L4): 19.9 / 12.9 / 11.1 / 27.5 мм
- Диаметр D1: 21.8 мм
- Стандарт трубного соединения: 24° DIN 2353
Адаптер поставляется как корпус. Материал – сталь. Для заказа адаптера из нержавеющей стали AISI 316 необходимо изменить префикс артикула с 10 на 11. Для версии из нержавеющей стали AISI 316 с гайкой из нержавеющей стали AISI 304 префикс артикула должен быть изменен с 10 на 14. Использование нержавеющей стали рекомендуется для применений, требующих высокой коррозионной стойкости, например, в агрессивных средах.