Адаптер прямой FA DL10 UNF 7/16" (корпус) арт. 100925.1 от Cast
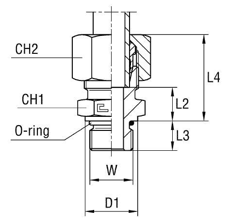
Адаптер прямой FA DL10 UNF 7/16" (корпус). Соединения с врезным кольцом (DIN 2353). Прямой ввертной адаптер UNF (ORB)
Прямой адаптер фитинг CAST, артикул 100925.1. Обеспечивает надежное трубное соединение для гидравлических систем низкого и стандартного давления. Предназначен для подключения компонентов в станках, мобильной технике, а также в системах смазки и топливоподачи. Серия L.
Данный прямой адаптер обеспечивает надежное соединение благодаря конструкции, соответствующей стандарту DIN 2353 (соединения 24°). Конструкция корпуса гарантирует герметичность и устойчивость к вибрациям. Совместим с широким спектром трубных соединений с конусностью 24°.
- Рабочее давление (WP): 315 бар
- Диаметр трубы M1/D1: 10 мм
- Размер под ключ 2 (CH2): 19 мм
- Размер под ключ 1 (CH1): 17 мм
- Длина L1: 17,9 мм
- Длина L2: 10,9 мм
- Длина L3: 9,1 мм
- Диаметр D1: 13,8 мм
- Длина L4: 26 мм
- Стандарт трубного соединения: Соединения 24° DIN 2353
Адаптер поставляется как корпус. Для заказа фитинга CAST из нержавеющей стали AISI 316 необходимо заменить префикс артикула с 10 на 11. Для заказа фитинга из нержавеющей стали AISI 316 с гайкой из нержавеющей стали AISI 304, замените префикс артикула с 10 на 14. Использование нержавеющей стали обеспечивает повышенную коррозионную стойкость и возможность применения в агрессивных средах. Данный адаптер – надежное решение для построения гидравлических систем.