Адаптер прямой FA DL08 UNF 7/16" (корпус) арт. 100924.1 от Cast
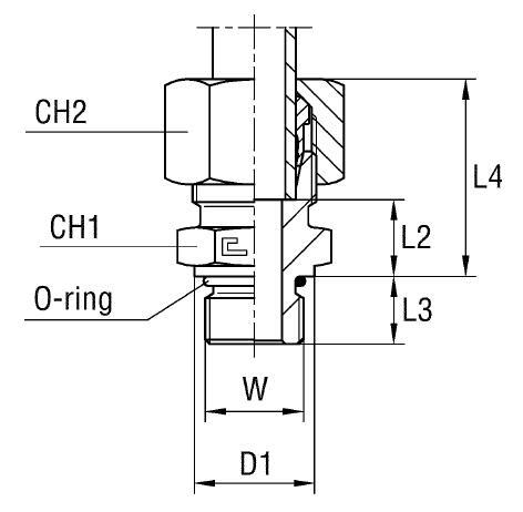
Адаптер прямой FA DL08 UNF 7/16" (корпус). Соединения с врезным кольцом (DIN 2353). Прямой ввертной адаптер UNF (ORB)
Прямой адаптер FA DL08 UNF 7/16" (корпус) артикул 100924.1 от CAST предназначен для надежного соединения гидравлических компонентов в системах низкого и среднего давления. Этот фитинг CAST используется для подключения труб в станках, мобильной технике и других промышленных применениях, обеспечивая герметичное и устойчивое к вибрациям соединение для масел, топлива и смазочных материалов.
Конструкция адаптера соответствует стандарту DIN 2353, что гарантирует совместимость с другими компонентами гидравлической системы. Адаптер обеспечивает надежное трубное соединение благодаря прецизионной обработке и точному соответствию размеров. Предназначен для работы с конусностью 24°.
- Рабочее давление (WP): 315 бар
- Диаметр трубы M1/D1: 8 мм
- Размер под ключ 2 (CH2): 17 мм
- Размер под ключ 1 (CH1): 14 мм
- Серия: L
- Длина L1: 16,9 мм
- Длина L2: 9,9 мм
- Длина L3: 9,1 мм
- Диаметр D1: 13,8 мм
- Длина L4: 25 мм
- Стандарт трубного соединения: Соединения 24° DIN 2353
Адаптер поставляется в стандартном исполнении. Материал корпуса – сталь. Для применения в агрессивных средах или для повышения коррозионной стойкости доступна версия из нержавеющей стали AISI 316. Для заказа версии из нержавеющей стали AISI 316 замените первые две цифры артикула с 10.... на 11....; для версии с гайкой из нержавеющей стали AISI 304 – на 14....