Адаптер прямой FA DL08 UNF 1/2" (корпус) арт. 100905.1 от Cast
Адаптер прямой FA DL08 UNF 1/2" (корпус). Соединения с врезным кольцом (DIN 2353). Прямой ввертной адаптер UNF (ORB)
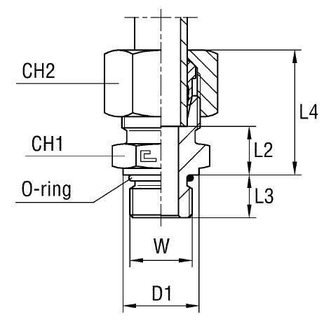
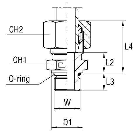
Прямой адаптер FA DL08 UNF 1/2", артикул 100905.1, производства CAST. Предназначен для надежного соединения гидравлических компонентов в системах с рабочим давлением до 315 бар. Используется в станках, мобильной технике и других приложениях, где требуется компактное и герметичное трубное соединение.
Адаптер представляет собой прямой фитинг, обеспечивающий надежное трубное соединение по стандарту DIN 2353. Конструкция обеспечивает совместимость с трубками диаметром 8 мм и резьбовыми соединениями UNF 1/2".
- Рабочее давление (WP): 315 бар
- Диаметр трубы M1/D1: 8 мм
- Размер под ключ (CH1/CH2): 17 мм
- Серия: L
- Стандарт трубного соединения: 24° DIN 2353
Стандартное исполнение - сталь. Для применения в агрессивных средах и обеспечения коррозионной стойкости, возможен заказ адаптера из нержавеющей стали AISI 316. Для заказа фитинга CAST из нержавеющей стали AISI 316 необходимо заменить префикс артикула с 10 на 11. Для версии с гайкой из нержавеющей стали AISI 304 замените префикс на 14.