Адаптер-переходник JIC 1-1/16"(Ш) на BSP 1"(Г) арт. 200325.3 от Cast
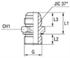
Адаптер-переходник JIC 1-1/16"(Ш) на BSP 1"(Г). Соединения под развальцовку 37° (JIC). Прямой ввертной адаптер BSP с уплотнением ED
Прямой адаптер-переходник (артикул 200325.3) предназначен для создания надежного и герметичного трубного соединения между гидравлическими линиями, использующими разные стандарты резьбы. Данный фитинг CAST из универсальной серии обеспечивает профессиональную конвертацию между наружной конусной резьбой JIC 37° (1 1/16-12) и внутренней параллельной трубной резьбой BSPP (G 1"). Изделие применяется в гидравлических системах стандартного и среднего давления (до 290 бар), являясь ключевым элементом при монтаже и ремонте мобильной техники, промышленного оборудования и станков.
Конструктивно адаптер представляет собой цельный элемент ввертного типа. На стороне JIC реализована конусность 37° в строгом соответствии со стандартом SAE J514, что гарантирует полную совместимость с рукавами высокого давления и трубными наконечниками. Высокая точность механической обработки обеспечивает надежную посадку и герметичность даже при наличии вибрационных и пульсирующих нагрузок, характерных для динамических гидравлических контуров.
- Рабочее давление (WP): 290 бар
- Тип соединения A (наружная): JIC 37° (1 1/16-12)
- Тип соединения B (внутренняя): BSPP (G 1")
- Стандарт совместимости: Соединения 37° SAE J514
- Размер под ключ (CH1): 41 мм
Базовое исполнение адаптера выполнено из высокопрочной углеродистой стали с антикоррозионным покрытием (артикул 200325.3). Для применения в химически агрессивных средах, морских условиях или при работе с особыми рабочими жидкостями доступна версия из нержавеющей стали (AISI 316). При заказе коррозионностойкого исполнения необходимо заменить префикс артикула с 20... на 21..., обеспечивая при этом сохранение всех геометрических и эксплуатационных характеристик.