Адаптер-переходник BSP 3/8"(Г) на NPT 3/8"(Ш) арт. 300405 от Cast
Адаптер-переходник BSP 3/8"(Г) на NPT 3/8"(Ш). Соединения с уплотнением по конусу 60° (BSP). Прямой ввертной адаптер NPT (уплотнение по резьбе)
Данное изделие представляет собой высококачественный редукционный адаптер (артикул 300405) для обеспечения надежного перехода между метрическими и дюймовыми стандартами резьбы. Основное назначение – герметичное и компактное подключение компонентов с внутренней резьбой BSP 3/8" (Г) к системе с наружной резьбой NPT 3/8" (Ш). Производитель CAST (серия Универсальная) гарантирует применение в системах среднего давления, включая стационарные промышленные установки, пневматические контуры, а также мобильную гидравлическую технику, работающую на минеральных маслах и гидравлических жидкостях.
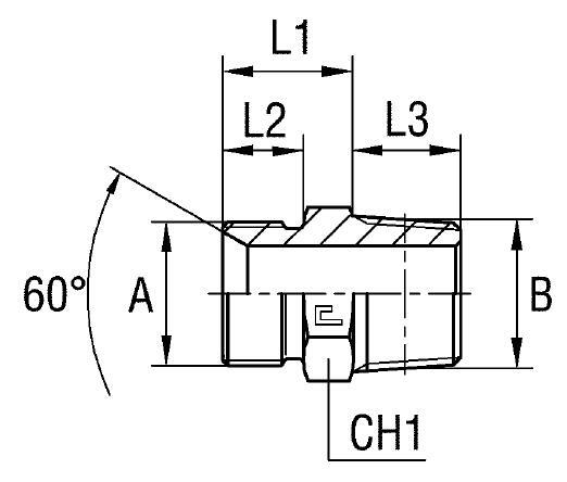
Конструктивно адаптер выполнен в виде прямого переходного элемента с шестигранной головкой (CH1 17 мм) для удобства монтажа. Со стороны BSP используется стандарт 60° BS-5200 (параллельная резьба), требующий дополнительного торцевого уплотнения (шайбы или кольца, приобретаются отдельно). Резьба NPT (3/8" Ш) является конической и создает самоуплотнение за счет натяжения витков, что критически важно для обеспечения герметичности трубных соединений в высоконагруженных узлах. Изделие разработано для максимальной надежности при номинальном рабочем давлении до 250 бар.
- Рабочее давление (WP): 250 бар
- Размер под ключ (CH1): 17 мм
- Резьба А (NPT): 3/8" (Наружная)
- Резьба В (BSP): 3/8" (Внутренняя)
- Стандарт BSP: Соединения 60° BS-5200
Базовое исполнение (артикул 300405) выполнено из углеродистой стали с защитным покрытием. Для использования в агрессивных или высококоррозионных средах, где требуется повышенная коррозионная стойкость (например, морская гидравлика или химическая промышленность), доступен вариант исполнения из нержавеющей стали AISI 316. При заказе такого исполнения инженеру или монтажнику необходимо изменить префикс артикула с "30..." на "31...".