Адаптер-переходник BSP 3/4"(Г) на NPT 3/4"(Ш) арт. 300409 от Cast
Адаптер-переходник BSP 3/4"(Г) на NPT 3/4"(Ш). Соединения с уплотнением по конусу 60° (BSP). Прямой ввертной адаптер NPT (уплотнение по резьбе)
Данный адаптер-переходник CAST (артикул 300409) представляет собой критически важный компонент для обеспечения герметичного и надежного сопряжения гидравлических линий, использующих различные мировые стандарты резьбы. Изделие из универсальной серии Cast предназначено для конвертации внутренней цилиндрической резьбы BSP G 3/4" (Г) в наружную коническую резьбу NPT 3/4" (Ш). Основное назначение — интеграция компонентов американского стандарта NPT в европейские гидравлические системы. Применяется в стационарных промышленных установках, оборудовании для смазки и топливных системах со стандартным рабочим давлением.
Конструкция фитинга выполнена в виде прямого цельнометаллического корпуса. Соединение BSP (британский трубный стандарт) соответствует требованиям BS-5200 (60° конус), что обеспечивает высокую надежность при правильной установке уплотнительной шайбы или кольца. Резьба NPT (американский конический стандарт) гарантирует герметичность за счет интерференции конуса, часто требуя применения резьбового герметика для достижения максимальной плотности. Этот гидравлический фитинг критически важен при модернизации или ремонте оборудования, где требуется быстрое и эффективное изменение типа трубного соединения.
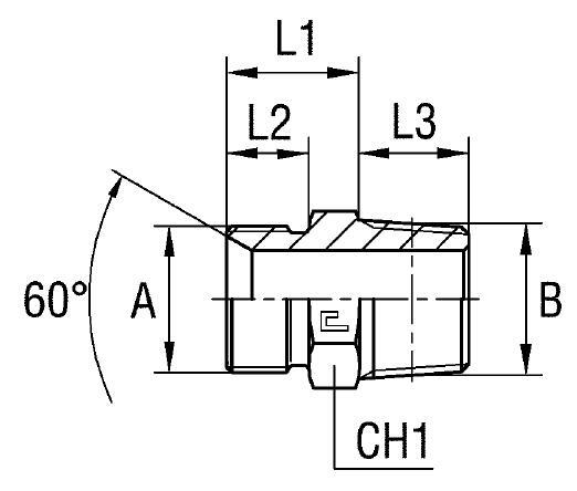
- Рабочее давление (WP): 200 бар
- Размер соединения A (BSP G): 3/4"
- Размер соединения B (NPT M): 3/4"
- Размер под ключ (CH1): 27 мм
- Общая длина (L1): 25 мм
Стандартное исполнение адаптера изготовлено из высокопрочной углеродистой стали с защитным покрытием. Для эксплуатации в условиях повышенной влажности, агрессивных сред или химической промышленности доступно исполнение из нержавеющей стали AISI 316. При заказе для особых условий необходимо изменить префикс артикула с 30... на 31..., получив, таким образом, артикул 310409. Адаптер поставляется отдельно, уплотнительные шайбы и кольца для стороны BSP заказываются дополнительно.