Адаптер-переходник BSP 3/4"(Г) на NPT 1"(Ш) арт. 300410 от Cast
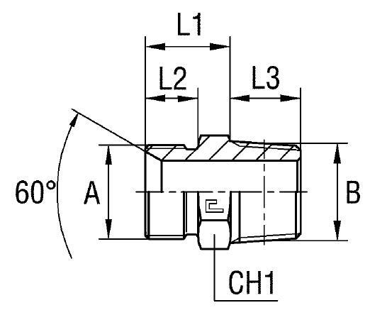
Адаптер-переходник BSP 3/4"(Г) на NPT 1"(Ш). Соединения с уплотнением по конусу 60° (BSP). Прямой ввертной адаптер NPT (уплотнение по резьбе)
Это резьбовой адаптер-переходник (артикул 300410), разработанный для интеграции компонентов с различными стандартами резьбы. Основное назначение – создание надежного и герметичного сопряжения между метрической системой BSP (внутренняя резьба 3/4”) и американской конической резьбой NPT (наружная резьба 1”). Изделие принадлежит к универсальной серии фитингов CAST и применяется в гидравлических системах, оборудовании для смазки, топливных линиях и стационарных промышленных установках со стандартным рабочим давлением до 160 бар.
Конструкция представляет собой прямой трубный соединительный элемент с шестигранником для удобного монтажа (размер ключа 36). На стороне BSP (3/4") используется стандарт 60° конуса (BS-5200), обеспечивающий надежное соединение с соответствующими рукавами высокого давления. Сторона NPT (1") оснащена наружной конической резьбой, гарантирующей высокую степень самогерметизации при корректной затяжке. Адаптер позволяет быстро и безопасно унифицировать типы подключения, что критично при обслуживании импортного оборудования.
- Рабочее давление (WP): 160 бар
- Размер под ключ (CH1): 36 мм
- Тип резьбы A (BSP): 3/4" (Внутренняя)
- Тип резьбы B (NPT): 1" (Наружная)
- Стандарт соединения BSP: 60° конус (BS-5200)
Стандартное исполнение адаптера выполнено из высокопрочной стали с защитным покрытием, пригодным для большинства гидравлических жидкостей и неагрессивных сред. Для эксплуатации в условиях повышенной влажности, контакта с агрессивными химическими веществами или в пищевой промышленности, доступна версия из нержавеющей стали AISI 316, обеспечивающая максимальную коррозионную стойкость. При необходимости заказа нержавеющего исполнения, используйте префикс артикула 31... (например, 310410).