Адаптер-переходник BSP 1"(Г) на NPT 1"(Ш) арт. 300411 от Cast
Адаптер-переходник BSP 1"(Г) на NPT 1"(Ш). Соединения с уплотнением по конусу 60° (BSP). Прямой ввертной адаптер NPT (уплотнение по резьбе)
Представляем адаптер-переходник артикул 300411 от производителя CAST, универсальной серии. Данное изделие предназначено для обеспечения надежного и герметичного соединения гидравлических компонентов с различными стандартами резьбы: внутренняя резьба BSP (британский стандарт) с внешней резьбой NPT (американский конический стандарт). Основное назначение – интеграция оборудования и трубопроводов в гидравлических системах стандартного давления, промышленных установках, а также в мобильной и сельскохозяйственной технике, где требуется сопряжение разнотипных резьбовых соединений.
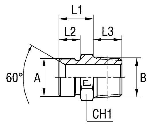
Конструктивно адаптер представляет собой прямой фитинг, обеспечивающий прямоточное соединение без изменения направления потока. Внутренняя цилиндрическая резьба BSP 1" соответствует стандарту 60° BS-5200, внешняя коническая резьба NPT 1" – американскому национальному стандарту National Pipe Taper. Такое решение позволяет без проблем сопрягать трубные соединения различных стандартов, обеспечивая при этом требуемую герметичность и механическую прочность соединения.
- Артикул: 300411
- Тип: Адаптер-переходник
- Резьба A (NPT): 1" (Ш)
- Резьба B (BSP): 1" (Г)
- Рабочее давление (WP): 160 бар
- Размер под ключ (CH1): 36 мм
- Длина L1: 29 мм
- Длина L2: 19 мм
- Длина L3: 24 мм
- Стандарт BSP резьбы: 60° BS-5200
Адаптер поставляется как отдельный компонент из высокопрочной углеродистой стали. Для условий, требующих повышенной коррозионной стойкости или работы с агрессивными средами, доступно исполнение из нержавеющей стали AISI 316. При заказе данной модификации необходимо изменить префикс артикула с `30...` на `31...`. Это обеспечивает гибкость применения в пищевой, химической и других специализированных отраслях.