Адаптер-переходник BSP 1/4"(Г) на NPT 1/4"(Ш) арт. 300403 от Cast
Адаптер-переходник BSP 1/4"(Г) на NPT 1/4"(Ш). Соединения с уплотнением по конусу 60° (BSP). Прямой ввертной адаптер NPT (уплотнение по резьбе)
Представленный гидравлический адаптер артикул 300403 от производителя CAST (универсальная серия) разработан для обеспечения надежного и герметичного соединения между компонентами с различными стандартами резьбы: внутренняя BSP 1/4" (газовый) и внешняя NPT 1/4" (коническая дюймовая). Основное назначение – конвертация резьбовых стандартов в гидравлических системах, что критически важно для интеграции оборудования от разных производителей. Применяется в стационарных и мобильных гидравлических установках, машиностроении, а также в промышленных трубопроводах, требующих адаптации между метрическими и дюймовыми стандартами.
Данный адаптер представляет собой цельный резьбовой фитинг CAST, конструкция которого гарантирует устойчивость к высоким нагрузкам и вибрациям. Резьба BSP соответствует стандарту соединений 60° по BS-5200, обеспечивая плотное уплотнение при использовании соответствующих уплотнительных элементов (например, уплотнительных колец или шайб). Резьба NPT, будучи конической, обеспечивает герметичность за счет интерференции витков. Это позволяет использовать адаптер для создания надежных и герметичных трубных соединений без необходимости дополнительной обработки или модификации исходных компонентов.
- Рабочее давление (WP): 350 бар
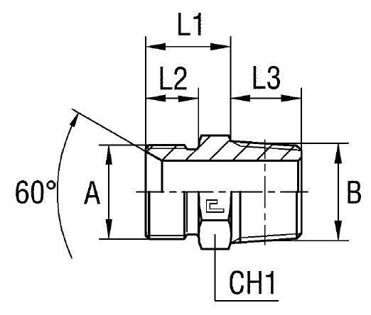
- Размер под ключ 1 (CH1): 14 мм
- Стандарт трубного соединения (для BSP): Соединения 60° BS-5200
- Длина L1: 17 мм
- Длина L2: 11 мм
- Длина L3: 14,5 мм
- Резьба B: BSP 1/4" (Г)
- Резьба A: NPT 1/4" (Ш)
Адаптер поставляется в стандартном исполнении из высокопрочной стали, пригодной для большинства гидравлических сред. Для применения в условиях повышенной влажности, агрессивных средах, а также в пищевой или химической промышленности доступно исполнение из нержавеющей стали AISI 316. Для заказа такой модификации необходимо изменить префикс артикула с "30..." на "31...". Это гарантирует превосходную коррозионную стойкость и долговечность изделия в экстремальных условиях эксплуатации, обеспечивая стабильность и безопасность всей гидравлической системы.