Адаптер-переходник BSP 1/2"(Г) на NPT 1/2"(Ш) арт. 300407 от Cast
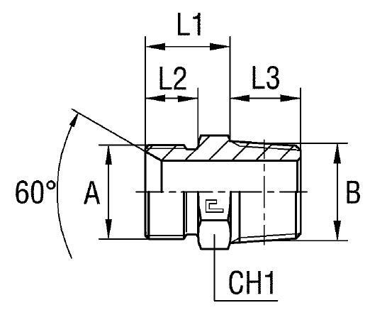
Адаптер-переходник BSP 1/2"(Г) на NPT 1/2"(Ш). Соединения с уплотнением по конусу 60° (BSP). Прямой ввертной адаптер NPT (уплотнение по резьбе)
Этот редукционный адаптер (арт. 300407) разработан для обеспечения герметичного и надежного перехода между метрическими и дюймовыми стандартами резьбы. Основное назначение – сопряжение внутренней резьбы BSP (G 1/2") с наружной конической резьбой NPT (1/2"). Изделие произведено брендом фитинг CAST и относится к универсальной серии, применяясь в стационарных установках, станочном оборудовании, а также мобильной технике, работающих в диапазоне стандартного и среднего рабочего давления.
Конструктивно адаптер представляет собой цельный цельнометаллический элемент с шестигранником (CH 22) для удобства монтажа. Со стороны BSP используется стандартная 60° конусность (BS-5200) для подключения к метрическому трубному соединению. Соединение NPT, являясь коническим, обеспечивает герметичность за счет плотного контакта резьбы. Данный Адаптер BSP NPT гарантирует высокую надежность при работе со средами, требующими строгого контроля герметичности, включая гидравлические масла, топливо и сжатый воздух.
- Рабочее давление (WP): 225 бар
- Размер BSP (Г): 1/2"
- Размер NPT (Ш): 1/2"
- Размер под ключ (CH1): 22 мм
- Стандарт BSP соединения: 60° BS-5200
Стандартное исполнение (артикул 300407) выполнено из высокопрочной углеродистой стали с защитным гальваническим покрытием. Для эксплуатации в условиях агрессивных сред, высокой влажности или для систем, требующих максимальной коррозионной стойкости, доступна модификация из нержавеющей стали AISI 316. Для заказа такого исполнения необходимо сменить префикс артикула с 30... на 31... Уплотнительные шайбы (USIT) для стороны BSP приобретаются отдельно.